欢迎进入上海堂奕电子有限公司官方网站!
首页
产品
荣誉证书
新闻资讯
关于我们
联系我们
您所在的位置:
首页
> 产品中心
产品中心
电磁制动器
电磁离合器
电磁离合器制动器组合
永磁离合器制动器
齿型离合器制动器
无励磁制动器
服务热线
(86)021-59796873
( 人工8:00-17:00 )
微信服务号
(扫一扫关注)
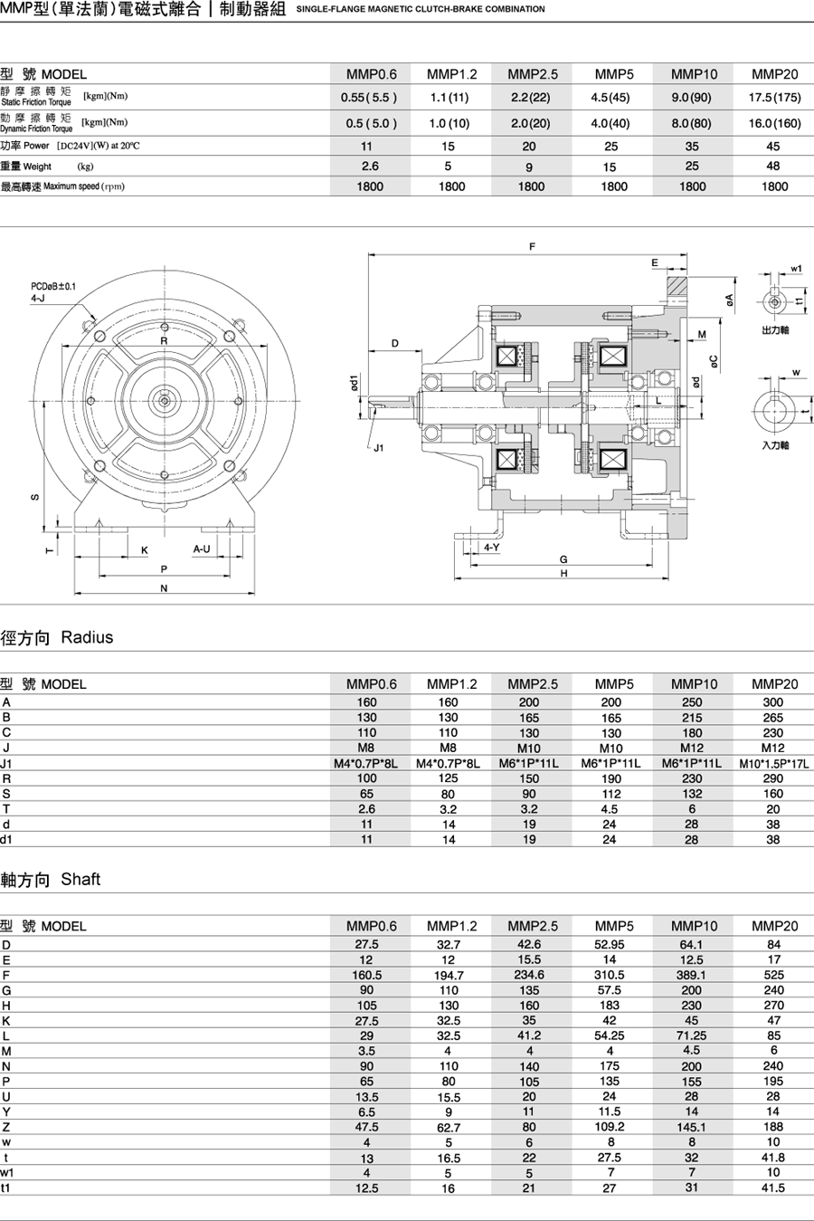
MMP型离合器·制动器组合(马达直接型)
MMP型离合器·制动器组合(马达直接型)输入轴直接与马达连接,带底座的机型。
产品介绍
关于我们
公司简介
企业文化
产品中心
电磁制动器
电磁离合器
导航
新闻资讯
人才招聘
联系我们
服务支持
联系我们
上海堂奕电子有限公司
地址:上海市青浦区清河湾路819弄52号
电话:(86)021-59796873
邮箱:sh@steki.cn
官方QQ:1270516295
版权所有@2019上海堂奕电子有限公司